Page 43 - Journal of Laser Dentistry 1

This is a SEO version of Journal of Laser Dentistry 1. Click here to view full version

« Previous Page Table of Contents Next Page »

Morphologic changes and removal of debris on apical dentin surfaces after Nd:YAG laser and diode laser irradiation. Photomed Laser Surg. 2008 Jun;26(3):263-6.

15. Hmud R, Kahler WA, George R, Walsh LJ. Cavitational effects in aqueous endodontic irrigants generated by near-infrared lasers. J Endod. 2010 Feb;36(2):275-8. Epub 2009 Dec 4.

16. da Costa Ribeiro A, Nogueira GE, Antoniazzi JH, Moritz A, Zezell DM. Effects of diode laser (810 nm) irradiation on root canal walls: thermographic and morphological studies. J Endod. 2007 Mar;33(3):252-5. Epub 2006 Dec 13.

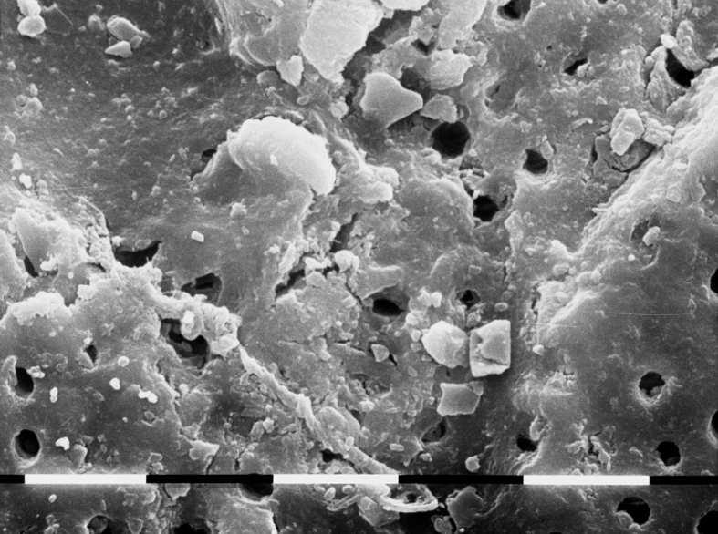
Legends

Fig.1 G2 representative sample image at medium third. 810nm diode laser irradiation at 1,5 W in cw in sodium hypoclorite wet canal - 5sec three times: Noticeable smear layer still remained on the treated surface with areas of partial occluded dentinal tubules. Remarkable superficial thermal effect with signes of recristallization of dentin surface.

Fig.2 G2 representative sample image at apical third. 810nm diode laser irradiation at 1,5 W in cw in sodium hypoclorite wet canal - 5sec three times: Noticeable smear layer still remained on the treated surface with some areas of partial occluded dentinal tubules. Evidence of vaporization of the collagen matrix and absence of collagen fibers and residual sodium hypoclorite crystals.

Fig.3 G2 representative sample image at medium third. 810nm diode laser irradiation at 1,5 W in cw in sodium hypoclorite wet canal - 5sec three times: evidence of signes of laser irradiation with complete superficial vaporization of organic matrix; root canal surfaces exhibit open tubules, some residual debris and smear layer still present.

Fig.4 G2 representative sample image at medium third. 810nm diode laser irradiation at 1,5 W in cw mode, in sodium hypoclorite wet canal - 5sec three times: Root canal

Page 43 - Journal of Laser Dentistry 1

This is a SEO version of Journal of Laser Dentistry 1. Click here to view full version

« Previous Page Table of Contents Next Page »